Насос діафрагмяний медичний лабораторний біморфного типу (ультракомпактний) NITTO KOHKI MEDO BPH
Революційна технологія мініатюризації — п'єзоелектричний насос із біморфним резонатором для перекачування рідин і газів
Рухома сила насоса MEDO Bimor - п'єзоелектрична котушка.
MEDO Bimor - ето компактний, надійний, міцний, легкий і безшумний насос для різноманітного медичного обладнання для подавання та відкачування рідини, дренажу, газів, взяття проб, медичних ін'єкцій.



Новий модельний ряд насосів BIMOR і MEDO від всесвітньо відомого виробника насосів Nitto Kohki, розсуває і встановлює нові високі стандарти в насосній техніки на якісно новий рівень. Універсальність застосування насосів MEDO Bimpor пов'язана з п'єзоелектричним діафрагмінним принципом роботи. У насоса немає традиційних компонентів — електродвигуни, вали, підшипники, олива, які призводять до частих поломок і дорогого обслуговування. Насос MEDO Bimper не створює вібрацій, електропопехів і шумів під час роботи. Насос зроблений з різних компонентів і матеріалів, які можна вибрати згідно з вимогами умов використання. Насос працює як із рідинами, так і з газоподібними речовинами. Насос зарекомендував себе в використання в медицині, лабораторіях, наукових дослідженнях, хімічній та електронній промисловості. Ці нові насоси з перекачування рідин і газів рідкі придатні для широкого спектра виконання медичних і дослідницьких завдань і різноманітного цільового призначення. Завдяки своєю самоусмоктувальною здатністю і сухою технологією, цей насос підходить для повітря і невибухо-неврягових газів.
Тоді як звичайні рідинні насоси традиційно використовують діафрагму, які вимагають складної механіки для роботи, насоси BIMOR можна використовувати просту п'єзоелектричну біморфну технологію. Як наслідок їхнього терміну експлуатації набагато довше (з використанням води становить понад 50 000 годин). Великою перевагою проти інших діафрагмінних насосів є те, що мембрана Bimoph є єдиною витратною частиною та впродовж усього терміну експлуатації насоса не потребує обслуговування.
Крім того, споживана потужність BIMOR набагато нижча, ніж у звичайних насосів, а також дуже низьким рівнем шуму за 40 дБ (А). Максимальний тиск 180 мбарів, а витрата води становить 220 мл/ швидкість потоку легко регулюється за допомогою зміни напруги або частоти.
Можливі сфери застосування містять біомедичну технологію, генну інженерію, гематологію та патологію. Під час аналізу насос BIMOR може бути використаний з агресивним хімічним середовищем, як-от гематоксилін, еозином, фізіологічний розчин, соляна кислота, спирт і рідини на водяній основі.
Діапазон застосування великий і тягнеться від чисто медичних технологій до застосування в паливних елементах.
Компактний, легкий, міцний і безшумний
Бувши біморфом, також виконує функцію діафрагми. Не має мотора, вала та інших складних механізмів, вібрація мінімальна, відмова рідше. Бімор легший, тихіший і надійніший від звичайних насосів.
60 місяців безперебійної експлуатації.
Переваги п'єзоелектричних насосів биморов MEDO
- Продуктивність — Завдяки особливій конструкції камери, витрата збільшилася на 40%, порівнюючи зі стандартними насосами.
- Мініатюрний і легкий — Завдяки п'єзоелектричному приводу насос дуже компактний і легкий.
- Тривалий термін експлуатації та низький рівень шуму — Оскільки в конструкції немає двигуна та приводного вала, насос малошумний і з тривалим терміном експлуатації. Термін безперервної експлуатації від 5 років (Залежить від умов використання)
- Не потребує заливання Завдяки автоматичному всмоктуванню, у заливці насоса немає потреби. Насос може також втягувати рідини з домішкою газів.
- Просте налаштування швидкості нагнітання — Ви можете легко регулювати витрату та тиск на виході, змінюючи напругу збудження або частоту приводу.
- Низьке енергоспоживання й низький рівень електромагнітних перешкод — Завдяки біморфному приводу насос споживає вкрай мало енергії, не створює електромагнітних перешкод.
- Різні комбінації корпусу й ущільнювальних матеріалів для різних рідинних і газових середовищ.
Низький рівень споживання енергії й електромагнітні шуми
Бімор приводиться в рух п'єзоелектричними елементами з низьким електроспоживанням. Тому вартість його експлуатації невисока, і він фактично не виробляє електромагнітні шуми.
Просте регулювання швидкості потоку
Оскільки пропускна здатність Бімора прямо пропорційна напрузі та частоті, регулювання швидкості потоку просте, як регулювання напруги та частоти.
Різноманітність у застосуванні
|
РІДКОСТИ
|
ГАЗИ
|
Деталі насоса можуть бути виготовлені з низки матеріалів, що підходять під конкретні потреби, чи то застосування з газом, чи то рідиною. Зараз Бімор використовується в різних галузях, включно з галузі медичних, хімічних та наукових досліджень.
Особливості п'єзоелектричних насосів MEDO в тому, що вони можуть працювати в самовсмоктувальному режимі, не вимагають попереднього прокачування робочої рідини або газом перед запуском.
Можуть працювати в режимі безперервної дозації. Стійкі до дії агресивних середовищ і можуть використовуватися для перекачування концентрованих кислот і лугів.
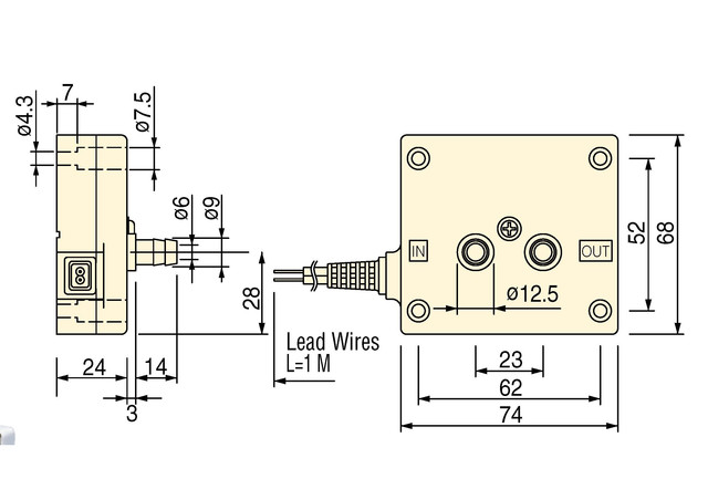
Тиск нагнітання у, наприклад, п'єзоелектричного насоса BPH-214E дорівнює 18 кПа, а тиск всмоктування становить 8 кПа. BIMOR PUMP застосовують своє застосування в медичній техніці, пристроях для фільтрації рідини та торгових автоматах.
Спільно з п'єзоелектричними насосами можна використовувати полімерні швидкорознімні з'єднання CUBE CUPLA серії SPC. Швидкорознімні з'єднання CUBE CUPLA серії SPC дають змогу з'єднувати й роз'єднувати як одну, так і кілька ліній трубопроводів в один дотик, а вбудовані клапани припиняють подавання робочого середовища у разі розриву, від'єднання, що істотно знижує час під'єднання та прискорює технологічні та виробничі процеси. У цій серії БРС CUBE CUPLA серії SPC є п'ять варіантів кольору. Використання БРС за колірними групами допоможе оператору з першого погляду визначити правильну комбінацію.
| Модель |
Напруга (В) |
Струм, мА |
Тиск самозаповнення (кПа) |
Продуктивність, (мл/л) |
Тиск на виході (кПа) |
Матеріал корпусу |
Материал контактного листа |
Матеріал ущільнювача |
Маса (г) |
Впускне/ випускне від (мм) |
Приклади перекачування можливих робочих середовищ |
|---|---|---|---|---|---|---|---|---|---|---|---|
| BPS-215i | 230 В / 50 Гц | 4 | 0,4 | 10 | 10 | Поліпропілен (PP) | Поліпропілен (PP) |
Бутилкаучук (IIR) |
40 |
9 мм штуцер під рукав |
мийні та дезінфекційні засоби з хлором |
| BPS-235G | 230 В / 50 Гц | 4 | 0,4 | 10 | 10 | Поліацеталь (POM) |
Политетрафторэтилен (PTFE) |
Фторкаучук (FKM) |
40 |
9 мм штуцер під рукав |
спирти, кислоти, мастильні олії |
| BPH-214i | 230 В / 50 Гц | 15 | 7 | 220 | 18 | Поліпропілен (PP) | Поліпропілен (PP) |
Бутилкаучук (IIR) |
140 |
9 мм штуцер під рукав |
мийні та дезінфекційні засоби з хлором |
| BPH-214D | 230 В / 50 Гц | 15 | 7 | 220 | 18 | Поліпропілен (PP) | Поліпропілен (PP) |
Диметил силікон (VMQ) |
140 |
9 мм штуцер під рукав |
вода, спирти, слабкі лугу |
| BPH-214E | 230 В / 50 Гц | 15 | 7 | 220 | 18 | Поліпропілен (PP) | Поліпропілен (PP) |
Етиленпропіленовий каучук (EPDM) |
140 |
9 мм штуцер під рукав |
поташ, касична сода, кислоти |
| BPH-214G | 230 В / 50 Гц | 15 | 7 | 220 | 17 | Поліпропілен (PP) |
Политетрафторэтилен (PTFE) |
Фторкаучук (FKM) |
140 |
9 мм штуцер під рукав |
спирти, кислоти, мастильні олії |
| BPH-274G | 230 В / 50 Гц | 15 | 7 | 250 | 35 |
Поліфеніленсульфід (PPS) |
Политетрафторэтилен (PTFE) |
Фторкаучук (FKM) |
170 |
9 мм штуцер під рукав |
спирти, кислоти, мастильні олії |
| BPH-274P | 230 В / 50 Гц | 15 | 7 | 250 | 35 |
Поліфеніленсульфід (PPS) |
Политетрафторэтилен (PTFE) |
Фторкаучук (FFKM) Фторэтиленпропилен (FEP) |
170 |
9 мм штуцер під рукав |
Сильні кислоти та лугу, полярні розчинники (ацетон, хлороформ) |
| BPF-265P | 230 В / 50 Гц | 15 | 7 | 250 | 35 |
Флюоресцеїновий полімер (PFA) |
Политетрафторэтилен (PTFE) |
Фторкаучук (FFKM) Фторэтиленпропилен (FEP) |
350 |
9 мм штуцер під рукав |
Сильні кислоти та лугу, полярні розчинники (ацетон, хлороформ) |
| Основні | |
|---|---|
| Виробник | Nitto Kohki |
| Країна виробник | Японія |
| Гарантійний термін | 6 міс |
| Вага | 0.35 кг |
| Продуктивність | 0.028 куб. м/хв |
| Максимальний тиск | 6.66 МПа |
| Тип поршневого компресора | з прямим приводом |
| Тип поршневого компресора за кількістю ступенів стиснення | Одноступінчатий |
| Тип поршневого компресора за застосуванням мастила | Безмасляний |
| Тип компресора по мобільності | Пересувний |
- Ціна: 28 500 ₴



Відправка з 04 травня 2026


