|
Швидкорознімні з'єднання Cupla серії Hi Cupla — це БРС загального призначення для під'єднання пневматичного інструменту й обладнання до цехових пневматичних мереж. Сталеве виготовлення корпусу швидкорознімних з'єднань цієї серії є найбільш придатним для передавання повітря, а варіант виготовлення корпусу з латуні дає змогу використовувати БРС серії Hi Cupla для передавання води. Треба зауважити, що в цьому разі під час роз'єднання БРС із боку штекера буде залишковий струм води, тому що штекер не обладнаний запірним клапаном. Швидкорознімні з'єднання серії Hi Cupla надзвичайно зносостійкі, завдяки спеціальній зміцненій конструкції (у сталевих моделей). Доступні різні варіанти виконання БРС за приєднувальним розмірами, діапазон яких здатний задовольнити найсприятливіших вимог!
під метричний розмір Ø9 мм Ø27 мм з раб.тиском до 15 bar (залежно від матеріалу)
Штекер шарнірний Nitto CUPLA Rotary Plug з функцією обертання на 360 град. застосовується для серії Hi CUPLA для простоти під'єднання та зручності використання пневмоінструменту.
| Матеріал корпусу |
Хромована сталь |
Латунь |
Неіржавка сталь |
| Розмір БРС, дюйм |
1/8" (10*), 1/4" (17,20), 3/8" (30), 1/2" (40,400 ), 3/4" (600), 1" (800) |
| Робочий тиск, МПа (кг/см2) |
1,5 (15) |
1,0 (10) |
1,5 (15) |
| Максимальний тиск, МПа (кг/см2) |
2,0 (20) |
1,5 (15) |
2,0 (20) |
|
|
 |
 |
|
Робочий тиск: 1,5 МПа.
Односторонній запірний клапан із боку гнізда
|
Варіанти застосування Під'єднання пневматичного інструменту до цехових пневматичних ліній.
Автоматичні преси (преси для збирання).
|
| Тип приєднання: Штуцер/Раків |
 |
 |
 |
 |
| Код штекера |
Розмір РВД |
Маса, г |
Розміри, мм |
| Сталь |
Латунь |
Неіржавка сталь |
lp |
Hp |
A |
C |
T |
Bp |
Bd |
| 17PH |
1/4" |
24 |
- |
- |
54 |
16 |
27 |
20 |
7,2 |
4,5 |
7,5 |
| 20PH |
1/4" |
28 |
30 |
26 |
57 |
16 |
30 |
20 |
9 |
5 |
7,5 |
| 30PH |
3/8" |
31 |
34 |
27 |
61 |
16 |
34 |
20 |
11,3 |
7,5 |
7,5 |
| 40PH |
1/2" |
53 |
58 |
47 |
63 |
20 |
36 |
20 |
15 |
7,5 |
7,5 |
| 400PH |
1/2" |
66 |
72 |
67 |
66 |
22 |
36 |
23 |
15 |
9 |
13 |
| 600PH |
3/4" |
121 |
132 |
129 |
77 |
30 |
45 |
23 |
21 |
13 |
13 |
| 800PH |
1" |
152 |
167 |
150 |
85 |
34 |
54 |
23 |
27 |
20 |
13 |
|
| Код гнізда |
Розмір РВД |
Маса, г |
Розміри, мм |
| Сталь |
Латунь |
Неіржавка сталь |
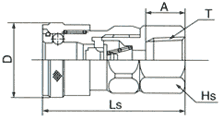
ls |
D |
A |
T |
Bs |
| 17SH |
1/4" |
99 |
- |
- |
69,5 |
26,5 |
27 |
7,2 |
4,5 |
| 20SH |
1/4" |
103 |
107 |
100 |
72,5 |
26,51 |
30 |
9 |
5 |
| 30SH |
3/8" |
106 |
111 |
101 |
76,5 |
26,51 |
34 |
11,3 |
7,5 |
| 40SH |
1/2" |
118 |
124 |
118 |
78,5 |
26,51 |
36 |
15 |
9 |
| 400SH |
1/2" |
220 |
240 |
218 |
83 |
35 |
36 |
15 |
9 |
| 600SH |
3/4" |
251 |
273 |
242 |
92 |
35 |
45 |
21 |
14 |
| 800SH |
1" |
273 |
299 |
272 |
102 |
35 |
55 |
27 |
16 |
|
| Тип приєднання: Зовнішня різь |
 |
 |
 |
 |
| Код штекера |
Маса, г |
Розміри, мм |
| Сталь |
Латунь |
Неіржавка сталь |
Lp |
Hp |
A |
C |
T |
Bp |
B |
| 10PM |
22 |
- |
- |
37 |
14 |
10 |
20 |
R1/8 |
4 |
7,5 |
| 20PM |
25 |
28 |
27 |
41 |
14 |
13 |
20 |
R1/4 |
7,5 |
7,5 |
| 30PM |
46 |
50 |
45 |
42 |
19 |
14 |
20 |
R3/8 |
7,5 |
7,5 |
| 40PM |
59 |
66 |
62 |
46 |
22 |
16 |
20 |
R1/2 |
12 |
7,5 |
| 400PM |
69 |
77 |
70 |
50 |
22 |
16 |
23 |
R1/2 |
13 |
13 |
| 600PM |
116 |
126 |
115 |
55 |
32 |
18 |
23 |
R3/4 |
19 |
13 |
| 800PM |
152 |
152 |
198 |
63 |
35 |
22 |
23 |
R1 |
22 |
1 |
|
| Код гнізда |
Маса, г |
Розміри, мм |
| Сталь |
Латунь |
Неіржавка сталь |
ls |
D |
Hs |
A |
T |
Bs |
| 10SM |
98 |
- |
- |
52,5 |
26,51 |
19 |
10 |
R1/8 |
5 |
| 20SM |
101 |
104 |
96 |
55,5 |
26,51 |
19 |
13 |
R1/4 |
7 |
| 30SM |
108 |
119 |
105 |
56,5 |
26,51 |
19 |
14 |
R3/8 |
8 |
| 40SM |
131 |
136 |
120 |
59,5 |
26,51 |
232 |
16 |
R1/2 |
9 |
| 400SM |
213 |
232 |
207 |
63 |
35 |
29 |
16 |
R1/2 |
13 |
| 600SM |
260 |
283 |
241 |
67 |
35 |
32 |
19 |
R3/4 |
16 |
| 800SM |
288 |
317 |
303 |
72 |
35 |
363 |
22 |
R1 |
16 |
|
| Тип приєднання: Внутрішня різь |
 |
 |
 |
 |
| Код штекера |
Маса, г |
Розміри, мм |
| Сталь |
Латунь |
Неіржавка сталь |
Lp |
Hp |
A |
C |
T |
Bp |
| 20PF |
28 |
30 |
30 |
36 |
17 |
13 |
20 |
Rc1/4 |
7,5 |
| 30PF |
39 |
41 |
41 |
37 |
21 |
14 |
20 |
Rc3/8 |
7,5 |
| 40PF |
70 |
77 |
69 |
38 |
29 |
15 |
20 |
Rc1/2 |
7,5 |
| 400PF |
82 |
89 |
81 |
41 |
29 |
15 |
23 |
Rc1/2 |
13 |
| 600PF |
116 |
126 |
118 |
45 |
35 |
17 |
23 |
Rc3/4 |
13 |
| 800PF |
190 |
202 |
192 |
54 |
41 |
22 |
23 |
Rc1 |
13 |
|
| Код гнізда |
Маса, г |
Розміри, мм |
| Сталь |
Латунь |
Неіржавка сталь |
ls |
D |
Hs |
A |
T |
| 20SF |
95 |
103 |
98 |
49,5 |
26,51 |
19 |
13 |
Rc1/4 |
| 30SF |
103 |
105 |
99 |
50,5 |
26,51 |
21 |
14 |
Rc3/8 |
| 40SF |
139 |
149 |
138 |
52,5 |
26,51 |
29 |
15 |
Rc1/2 |
| 400SF |
216 |
235 |
216 |
57 |
35 |
29 |
15 |
Rc1/2 |
| 600SF |
260 |
283 |
258 |
61 |
35 |
35 |
17 |
Rc3/4 |
| 800SF |
324 |
353 |
317 |
68 |
35 |
41 |
22 |
Rc1 |
|