Швидкороз'ємні з'єднання з клапаном для охолодження прес-форм термопластоматів (ТПА) Mold Cupla



Ціну уточнюйте
- Під замовлення
- Оптом і в роздріб
- Код: Mold Cupla
Відправка з 21 березня 2026+380 (50) 310-83-62
- +380 (97) 226-77-73
повернення товару протягом 14 днів за домовленістю


Швидкорознімні з'єднання (БРС) Nitto Kohki серії Mold Cupla для системи охолодження литтявих прес-форм інжекційно-литтявих машин, очищення та промивання обладнання термопластоматів (ТПА) для виробництва невеликих точних виробів, до грубогобаритного і багатокомпонентного лиття, стандартних виробів із пластмас
Робочий тиск: 1,0 МПа.
Робочі рідини: Охолоджувальна вода, нагріта гідравлічна рідина олія
Односторонній клапан із боку гнізда








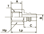
Характеристики
| Користувальницькі характеристики | |
|---|---|
| Призначення | Для трубопроводу БРС |
| Конструкція доводчика | З |
Інформація для замовлення
- Ціна: Ціну уточнюйте



